Leistritz logo
May 13 to 14, 2026
Polymers Center of Excellence (PCE), Charlotte, NC
It’s not a conference, it's a workshop!
Leistritz Extrusion will host the 2026 Reactive Extrusion (REX) Workshop, a first-time event to be held at the Polymers Center of Excellence (PCE) in Charlotte, NC, USA. In addition to classroom sessions, REX twin screw extrusion systems and analytical testing methods will be demonstrated at the PCE facility.

Lunch and handout materials will be provided on both days, as well as a dinner reception on the first day.

Space is limited and a sell-out is expected for this first-time event! We suggest you register ASAP.
Why a REX Workshop? Twin screw extruders facilitate reactions and create polymers that might otherwise be difficult, if not impossible, to synthesize in a batch process. The extruder is a small mass device (melt pool inside screw flights and a barrel) that mixes and conveys both high and low viscosity materials, generates high interfacial areas between differing phases of materials, efficiently contacts gases and liquids with high viscosity polymers, and is ideally suited to process small percentages of a component into a complex formulation. The result is a continuous process with better manufacturing efficiencies, improved product quality, and shorter reaction times as compared a batch processing. Scale-up from lab to production is easier too.

Note Flight depth of TSE for short mass transfer distances

Note flight depth of TSE for short mass transfer distances

By attending the Leistritz Extrusion REX workshop you will learn the theories, operating principles and maintenance advantages inherent with the continuous twin screw extrusion REX process.

Program Agenda

This program is subject to change.
WEDNESday, MAY 13, 2026

Day One

Classroom Sessions
  • Twin screw extruders operating theory, design, tips and test results
    • Co-rotating intermeshing twin screw mode
    • Counter-rotating intermeshing twin screw mode
    • Intermeshing and non-intermeshing mode
    • Single screw extruders
    • Process section design: screws and barrels
    • PLC/HMI, controls architecture and system integration
    • Explosion proof (XP) configurations
  • Reactive Extrusion
    • Monomers+ into the twin screw extruder and polymers out
    • Graft reactions
    • Polycondensation REX
    • Degradation REX
  • Devolatilization systems
    • Coarse DV, fine DV, stripping agents
    • Vacuum pump types and system design
    • Maintenance of vacuum pumps/systems
  • Upstream equipment
    • Metering systems
    • Solids and liquid feed streams
    • Pre-reactors
    • Thin film or falling strand evaporators
    • Injection systems for stripping
  • Downstream equipment
    • Die design/modeling
    • Gear pumps
    • Screw pumps
    • Filtration equipment
    • Pelletizing: strand, die face underwater and air quench
    • Direct extrusion: film/sheet/tube/profile
  • Other topics
    • Bioplastics REX systems
    • Commonly encountered REX problems
    • R&D techniques
    • Scale-up of REX process
    • Review of patent literature
    • Unique/atypical REX installations
    • Maintenance of REX equipment
    Lunch and DInner Reception
    Thursday, May 14, 2026

    Day Two

    Presentations and Demonstrations
    • Case studies that will be presented, for example:
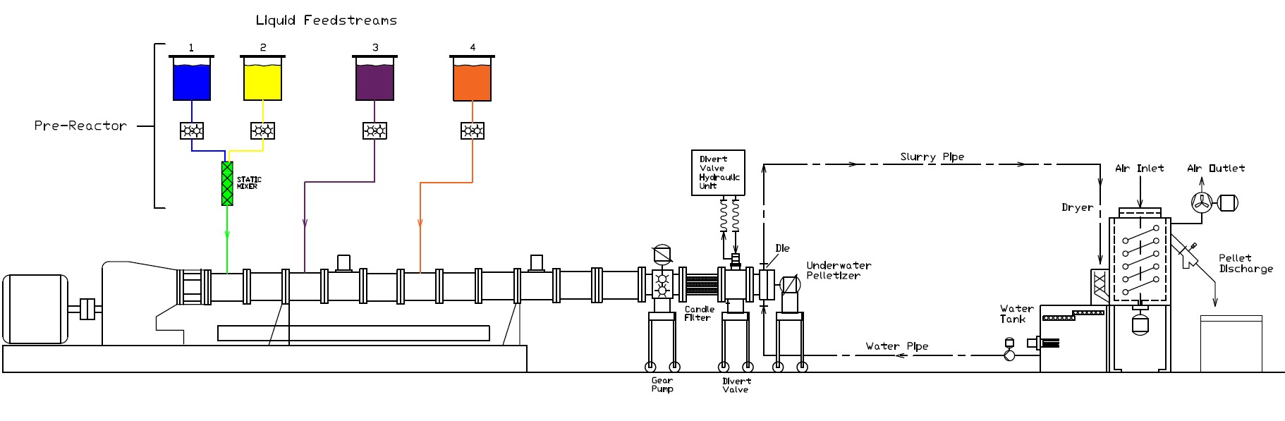
      TPU REX schematic
      TPU REX twin screw extrusion system
      Thermoplastics Urethane REX system: Liquid feed streams are metered into the TSE by injection pumps equipped with mass-flow meters to monitor/control the rate and formulation %s.  The TSE process section (L/D, screw design, vent configuration) and feed rate are designed according to the intended molecular weight and molecular weight distribution of the TPU.
    • Additional topics and demonstrations:
      • Twin Screw Extrusion REX demonstrations
      • Screw nomenclature
      • Twin screw extruder tips and maintenance
      • Screw assembly and disassembly procedures
      • Devolatilization via twin screw extruders
      • Liquid Injection
      • Materials mechanical and chemical analysis, equipment and testing methods
    Lunch
    • Panel discussion
    • Individual meetings
      Workshop Adjournment at 3pm
      In addition to Leistritz Extrusion USA staff, there will be presentations from industry experts and academia, including:

      Rob Jerman, Extrusion Technology and Innovations

      Matt Upton, Mahr Pumps

      Ali Ayoub, Ayoub Sciences LLC

      Dana Darley, Darley Extrusion Solutions

      Jose Fernandez, North Carolina State University

      Yiro Shimabukuro, The Polymers Center

      Artem Sulimov, University of Georgia

      Ramani Narayan, Michigan State University


      Others to be added

      Workshop REGISTRATION Fee $1280

      Space is limited

      Register Today!

      A confirmation with hotel and logistical information will follow registration.
      ALTERNATIVE PAYMENT: ACH, Wire Transfer or for Customized Invoice contact:
      Gina Maiorelli, +1-908-685-2333 x610, email: gina@leistritz-extrusion.com

      Corporate Sponsors

      Thanks to our corporate sponsors for helping to make this event possible.